一.概述
礦井提升機是聯系地面和井下的主要運輸工具,礦井提升工作是整個采礦工程中的重要環節。從地下采出的礦石必須提升至地面才有其實際應用價值。廢石的提升、工作人員、材料及設備的升降等都要靠提升機工作來完成。
工程外觀
外轉子電機照片:630kW
左:優利康變頻器(YSD8000T4系列/800kW,配閉環SinCos卡) 右:控制臺圖
左:罐籠圖 右:配重圖
二.方案內容
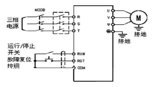
1.電氣接線圖
變頻器和電機之間存在一定距離,變頻器和電機都要做好接地的準備。
2.變頻器規格
外轉子同步電機額定功率630KW,額定電流1007A,額定轉速50.3rpm,根據電機的型號,我司選擇了額定電流1250A的型號為YDS8800 T4 WN-S變頻器(配備sincos編碼器卡)
3.變頻器調試參數
空車時通過自學習確認編碼器位置后,空車運行正常,滾筒上鋼絲繩,重載微調參數。
4.現場運行情況
下圖為絞車以1.5rpm的速度上提下放的波形。
注:紅色(速度指令),藍色(實際速度),綠色(扭矩),黃色(電流)。
下圖為絞車以1.5rpm的速度重車提升的波形。
注:紅色(編碼器速度),藍色(實際速度),綠色(扭矩),黃色(電流)。
下圖為絞車以1.5rpm的速度重車下放的波形。
注:紅色(實際速度),藍色(速度指令),黃色(扭矩),黃色(電流)。
下圖為絞車以1.5rpm的速度重車提升的波形。
注:紅色(實際速度),藍色(速度指令),綠色(扭矩),黃色(電流)。
下圖為絞車以12.5rpm的速度輕載提升的波形。
注:紅色(實際速度),藍色(編碼器速度),綠色(電流),黃色(扭矩)。
三.方案特點
這臺應用在豎井上的永磁電機內裝多繩摩擦式提升機,采用優利康380V變頻器直驅380V外轉子同步電機。與客戶之前用的常規的380V變頻器+異步電機+減速機+滾筒結構相比,減少了減速機的保養和維護成本。與高壓的10KV變頻器+10KV電機+滾筒的結構相比,明顯降低了采購成本。
四.結束語
國內礦山年產量小于20萬噸,垂直埋深淺于200m,大多采用斜井提升。
客戶礦區的螢石礦預計年產量60萬噸,垂直埋深大于600m,因此采用豎井提升,對于豎井和斜井的提升機驅動的應用,我司YDS8000系列變頻器(帶sincos編碼器卡)都能完美適配。
另外本次試車時,礦方將負載加到額定負載的110%,以0.5rpm的速度運行時絞車依舊性能穩定。


