一、概述

山西晉南集團有限公司廠區內有許多用于煉鐵的高爐車間,鐵礦石和焦炭通過皮帶機運輸到高爐頂端后倒入高爐。高爐煉鐵車間在改造之前是通過軟啟動裝置(星-△啟動)啟動三相異步電機后驅動滾筒(電機和滾筒之間有減速器)帶動皮帶機運行。

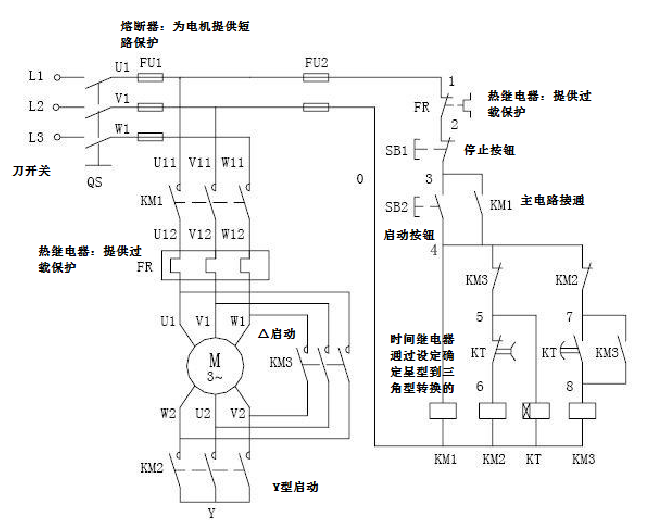
星-△啟動電路如下圖,雖然比直接啟動電機降低了啟動電流,減少了對電網的沖擊,但是無法實現對電機的調速,讓電機始終在工頻運行( 電機輸入電壓始終和電網電壓保持一致,電機的輸入電壓與無功電流成正比,輸入電壓越高,無功電流越大 )由此造成了不小的能源浪費。
為了做好碳達峰碳中和工作,山西晉南鋼鐵集團有限公司積極進行生產設備的節能改造,將皮帶機的軟啟動裝置替換成變頻器啟動,不光包含軟啟功能(可以實現零速零電壓啟動,降低啟動電流),通過調頻(改變電機的輸入電壓,低于電網電壓)實現電機的功率因數提升,降低了整套皮帶機設備的用電量。
二.方案內容
1.變頻器規格
電機額定電流為290A,電機轉速1485轉,額定功率160kw配電房和皮帶機電機之間的線纜超過150m。根據電機的型號,我司選擇了額定電流370A的200KW變頻器。為了抑制電網中的高次諧波,防止變頻器被干擾,我司在變頻器輸入端加裝EMI輸入濾波器,不僅能起到補償作用,還可以提高整套設備的功率因數(節能)為了減少輸出電纜上和電機中的脈沖電流,延長電機壽命,在變頻器與電機之間使用更長的電纜連線,所以我司選擇在變頻器母線加裝直流電抗器(降低母線紋波系數,減少電流脈動值),變頻器和電機之間加裝輸出電抗器,這兩者均可提升整套系統的功率因數(節能)。
變頻器機柜實拍圖
2.調試步驟
在電機軸上沒有負載的情況下,按照電機參數進行自學習。Dr30:2倍相電阻,Dr31,Dr64:2倍相電感。
三.總結
根據變頻器前端智能電表測算,與軟啟動時相比,正常工況運行24小時后,一臺160kw皮帶機的用電量大概節約了200度電,如果將廠內所有的皮帶機,風機水泵(屬于二次平方負載,降頻后的節能效果更明顯)均從軟啟動替換成變頻器,產生的節能效果帶來的經濟利益十分可觀。


